模块电源应用笔记之输出轻过载保护
1)防轻载电路
几乎所有隔离的模块电源都有最小负载的要求,一般在10%以上(非隔离系列可长期空载),这样大大提高系统运行的可靠性。对于非稳压产品在轻载情况下输出电压将急剧升高甚至处于未确定状态,而对于稳压产品在低于最小负载要求时其稳定性也会大大降低。如模块电源给光耦、继电器、MOS管及功耗较小的芯片(如485芯片等)供电时,由于其自身的功耗非常小,可视为其空载或轻载,故此情况下应在模块电源输出端外接10%功耗的假负载(电阻),以防止输出电压不稳定对电路所造成的影响,并且提高模块电源长期工作的可靠性。
如图:
2)防过载电路
尽管采取滤波器可以进行一定的限流,但当过载或是短路发生时,将会有非常大的电流通过供给负载,使模块电源因过热而烧坏(定压产品只能维持短路时间1S),对于宽压产品,输出将处于不确定状态;这就要我们采取一些防范措施,满足高安全要求场合的需要。
如图:
简单的过载保护
A、简单的是在输入加上一个熔断保险丝,并具有2-3倍额定输入电流的容限,可以在非常短的时间内实施,也可以选择自恢复保险丝,但较迟缓。
如图:
输入过流保护
B、另一种方法就是采用断路器。
C、还有一些通过检测输入电流和输出电压来防止过载;如上图:
a:输入经过一个内置有热开关的线性稳压器,但整体效率会相对降低。
b:用于有电源管理的场合,用串联电阻网络来检测输入电压的跌落。
c:这种采用设置RGND来进行输入电流的限制;0.7V=RGND*ILMIT
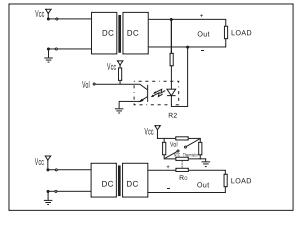
D、同样可以检测输出电压传送输入的电源管理系统,但要保证前后信号的隔离。
a:通过光耦隔离传送输出电压变化给管理系统;
b:通过热敏电阻隔离传送输出电压变化给输入管理系统
输出过载保护

不同的需要采取不同的防范措施,对于简单要求开/关功能,保险丝就足够了,对于通过信号去控制本地其他电路及模块电源的过载,我们会考虑一些较复杂、完善的方案。
上述是模块电源应用笔记之输出轻过载保护的全部内容,如果您还有任何疑问,关注我司官网,有客服和技术人员为您解答,相信可以给您一份满意的答复,谢谢合作!
更多详情,请关注广州恒浦电子科技有限公司!
网址:http://www.heniper.cn/
联系电话:020-28109451 邮箱:sales@heniper.cn QQ:742998395